TP.MS18VG.P77 как уменьшить подсветку
Телевизионное шасси TP.MS18VG.P77
Внешний вид
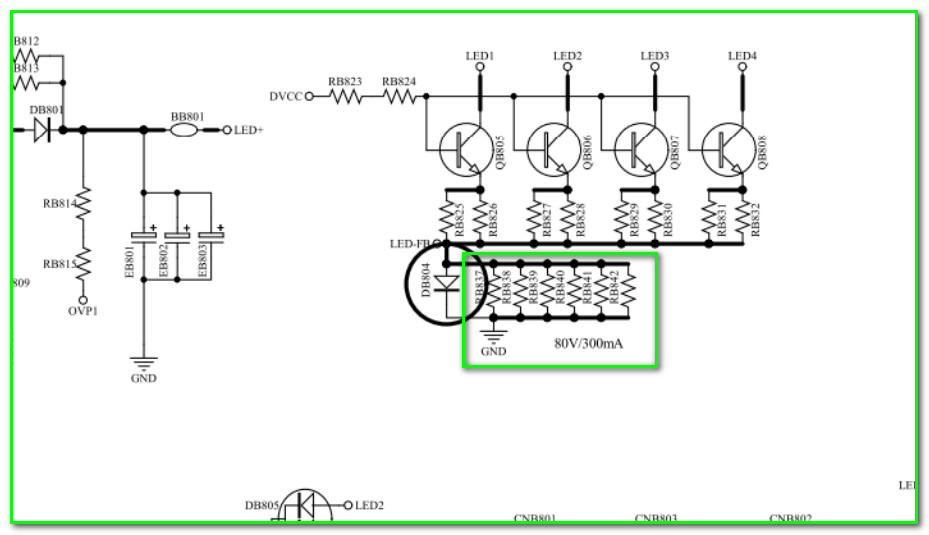
Изображение из сервис-мануала
Для уменьшения тока подсветки на шасси TP.MS18VG.P77 подсветки необходимо произвести стандартную процедуру- то есть увеличить номинал токового датчика. Согласно схемы- это набор параллельно-включенных низкоомных резисторов, обозначенных на схеме R837…R842
Выпаиваем эти резисторы по одному и контролируем результат.
Примечания:
* Если у Вас есть вопросы по данному шасси- можете спросить на нашем ФОРУМЕ
* Схема шасси находится ЗДЕСЬ


