LG42LM620T выключается подсветка
Привет, друзья!!! 🙂
Сегодня мы будем ремонтировать подсветку в телевизоре LG42LM620T
Небольшое предисловие.
На самом деле, при поступлении аппарата в ремонт, подсветка вполне себе прекрасно работала- и яркость была замечательная и никаких засветов или перепадов яркости. Даже у клиента это вызвало удивление, так как (с его слов) телевизор уже месяц находился в нерабочем состоянии и все попытки его включить никакого результата не приносили- просто наблюдался черный экран.
Решено было поставить его на прогон. Дефект проявился минут через 20-25: подсветка действительно исчезла. Причем при повторных включениях дефект стал проявляться значительно чаще- сначала хватало минут на 5, затем период работоспособности вообще сократился до нескольких секунд.
Ничего не напоминает? 🙂 Да-да: вероятнее всего где-то пайка разрушилась и с нагревом дает о себе знать. Легкий хлеб!! Вот и я сначала тоже так подумал… 🙂
Разбираем аппарат…
Состав телевизора LG42LM620T
Вот что мы имеем внутри:
Майн- плата называется LD22
Источник питания называется LGP4247L-12LPB
Я также прикладываю схему на этот источник. Выгрузил на Яндекс-диск, если хотите скачать- кликайте по ссылке ниже (откроется в новом окне)
Итак, продолжаем разговор…
Как уже было сказано чуть ранее- дефект проявляется в прогревом. Поначалу телевизор работал вполне себе нормально в течение 20-25 минут, затем время работы сократилось до нескольких секунд. Причем изображение было замечательное- никаких засветов или темных участков. После пропадания подсветки, на блоке начинает промаргивать светодиод, вот этот:
Количество «мыргов» не считал. Не подумал как-то что это необходимо, тем более что в спецификации на этот модуль никакой инфы на этот счет указано не было.
После внимательного осмотра обнаружилось несколько плохих паек- в частности на выходе трансформатора и на силовых ключах раскачки инвертора подсветки. Конечно-же все это было пропаяно, отмыто, однако никакого результата не принесло- подсветка так и продолжала пропадать с прогревом.
Что касается самой подсветки: в верхней части модуля имеется 8 контактный разъем, причем на нем один контакт задействован как общий «+» питания планок, а 6 контактов это выходы светодиодных цепочек.
Дико извиняюсь за некачественное фото…
После срабатывания защиты и выключения подсветки, на одном из этих выходов наблюдается небольшая разница по напряжению. Исходя из этого можно предположить что мы имеем 6 независимых светодиодных ячеек, и одна из них «чудит». Непонятно, правда, почему и другие выключаются- возможно это просто особенность конструкции драйвера. Короче говоря, придется все-так матрицу разбирать…
Порядок разборки телевизора LG42LM620T
Для начала необходимо снять нижнюю железку, вот эту:
Это несложно- достаточно просто открутить 4 винта. Динамики также снимаем
Здесь так-же ничего сложного- даже винтов нет, они на резиновых втулках крепятся.
Далее- снимаем крышку с Ти-кона
После чего отцепляем шлейфы от матрицы.
Ти-кон, кстати, нужно будет или снять или закрепить хотя-бы на один винт чтобы он болтался.
Передняя рамка крепится на защелках
Снимается достаточно просто, без какого-либо риска, так как сама матрица заключена в металлический кожух. Да и сам кожух потом разбирается относительно просто- нужно всего-лишь винты по периметру открутить.
Какие светодиоды в телевизоре LG42LM620T
Внутри телека имеется одна длинная боковая планка, закрепленная на алюминиевой пластине, служащей одновременно радиатором
Планочка имеет маркировку 6920L-0001C
Алюминиевая основа, длина планки 53 см, количество светодиодов 60, сами светики 6-ти Вольтовые.
Как и предполагалось- здесь 6 независимых ячеек, о чем свидетельствует разъем
По поводу разъема- он здесь 8-ми контактный, но крайние контакты не задействованы. Это так, к сведению, так сказать, если будете искать планку на маркет-плейсах. 🙂
Ну, думаю, дальше нет нужды рассказывать что перепаивать эти светодиоды не совсем реально, тем более что и стоимость планки оказалась вполне адекватная, так что она была приобретена на маркет-плейсе, благополучно заменена.
Телевизор был собран, прекрасно заработал, и никаких «глюков» не выдал даже после 3-х часового прогона.
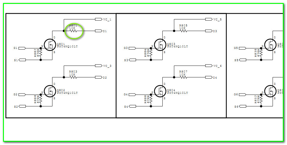
Что касается насчет ограничения тока подсветки. Фотографий, к сожалению, не будет, покажу на схеме. Здесь у нас имеются 6 независимых ключевых транзисторов, и на каждом из них навешан резистор номиналом в 10 кОм.
Как Вы уже и догадались- это токовый датчик. Меняем все эти резисторы на более высокий номинал. Лично я установил резики по 15 кОм ( то есть увеличил на 50%). Замеры не производил, но, думаю, этого будет вполне достаточно.
Вот такой вот у нас ремонт на этот раз получился. 🙂
Эх, не люблю этих TFT-хи… Так бы перепаял светики в течение часа, колпачки приклеил и отдал, а в данном случае пришлось опять телек собирать, затем ждать пока посылка приедет, потом опять разбирать… Двойной труд…
На этом разрешите и закончить, надеюсь статья кому-нибудь будет полезной, а если есть вопросы- то заныривайте на наш ФОРУМ!
Всем удачи в ремонтах!! 🙂

















