TP.VST59.P83B как уменьшить подсветку
Майн плата TP.VST59.P83B применяется в телевизорах бюджетного класса. Внешний вид представлен на рисунке ниже:
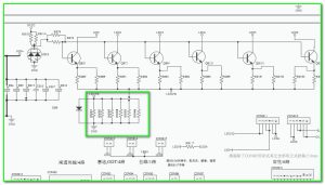
Согласно схеме- в подсветке может применяться несколько светодиодных участков. Однако токовый датчик у них общий: на схеме он обозначен как набор резисторов RB181….RB186
Именно их и следует выпаивать чтобы уменьшить ток подсветки. Внешне они находятся на самой плате вот в этом месте:
Однако картинки были взяты из интернета и поэтому требуются уточнения. Если у Вас имеются более точные сведения или есть вопросы (и не только по подсветке)- то заходите к нам на ФОРУМ!!
Дополнительная полезная инфа: схема майна TP.VST59.P83B
Удачи в ремонтах!! 🙂



